Analógový voltmeter 30 V 51-130-
Kód: 51-130-Podrobný popis
Analógový voltmeter 30 V XTREME
Analógový voltmeter 30 V XTREME je okrúhly merací prístroj určený na jednoduchú a prehľadnú kontrolu jednosmerného napätia v rozsahu do 30 V. Vďaka klasickému analógovému zobrazeniu je vhodný tam, kde potrebujete rýchlo odčítať hodnotu bez zbytočného nastavovania.

Hlavné vlastnosti
- rozsah merania 0–30 V
- určený pre jednosmerný prúd (DC)
- analógové kruhové prevedenie
- presnosť CLASS 2,5
- prehľadné odčítanie hodnoty
- vhodný na panelovú inštaláciu
Technické parametre
- Kód produktu: 51-130
- EAN: 5900804004868
- Typ: analógový voltmeter
- Merací rozsah: 0–30 V
- Typ prúdu: DC
- Presnosť: CLASS 2,5
- Tvar: okrúhly
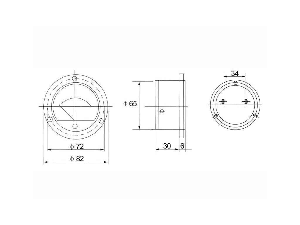
- Rozmery: podľa nákresu v galérii
Na čo sa hodí
Tento voltmeter je praktickým riešením pre meranie a vizuálnu kontrolu napätia v rôznych elektrických zostavách a zariadeniach. Uplatní sa najmä v dielňach, hobby projektoch, rozvádzačoch, napájacích zostavách alebo pri údržbe technických zariadení.
Výhody pre zákazníka
- jednoduché a rýchle odčítanie hodnoty
- spoľahlivé riešenie pre základné meranie napätia
- kompaktné okrúhle prevedenie
- vhodný na bežné aj technické použitie
- praktický doplnok k elektrickým panelom a zostavám
Dôležité informácie
Pred montážou odporúčame skontrolovať rozmery podľa nákresu v galérii a overiť kompatibilitu s vašou aplikáciou. Prístroj je určený na meranie jednosmerného napätia v uvedenom rozsahu, preto nie je vhodný na iné meracie účely mimo tejto špecifikácie.
- pred použitím overte správne zapojenie
- určené len pre DC meranie
- skontrolujte montážne rozmery

Dodatočné parametre
| Kategória: | Voltmetre |
|---|---|
| EAN: | 5900804004868 |
Hodnotenie tovaru
Buďte prvý, kto napíše príspevok k tejto položke.
Diskusia
Buďte prvý, kto napíše príspevok k tejto položke.
Pod značkou XTREME vystupuje široké portfólio špičkových produktov zameraných na elektroniku. Produkty sa vyznačujú vysokou kvalitou a dlhou životnosťou. Medzi portfólio značky XTREME patria všetky druhy batérií (napríklad gélové batérie), spájkovacia technika, multimetre, káble, laboratórne zdroje. Všetky produkty podliehajú prísnym normám Európskej únie a disponujú výbornou kvalitou. Pabex ponúka kompletnú ponuku tejto značky.

