Analógový voltmeter 51-140-
Kód: 51-140-Podrobný popis
Analógový voltmeter XTREME 51-140
Analógový voltmeter XTREME 51-140- je kruhový merací prístroj určený na prehľadné sledovanie jednosmerného napätia v rozsahu do 40 V. Vďaka klasickému analógovému zobrazeniu je odčítanie hodnôt rýchle a intuitívne, čo oceníte pri bežnom meraní aj pri montážach do zariadení a panelov.
- Kruhové analógové prevedenie
- Rozsah merania 0–40 V
- Určený pre jednosmerné napätie DC
- Presnosť CLASS 2,5
- Jednoduché a dobre čitateľné odčítanie

Hlavné výhody
Tento voltmeter je vhodný tam, kde potrebujete mať napätie pod kontrolou bez zložitého nastavovania. Analógové prevedenie poskytuje okamžitý vizuálny prehľad o zmene hodnoty, čo je praktické pri technických aplikáciách aj pri orientačnom meraní.
- Spoľahlivý pre základné kontrolné merania
- Prehľadné sledovanie výkyvov napätia v reálnom čase
- Vhodný do ovládacích panelov a rozvádzačov
- Kompaktné kruhové vyhotovenie
- Nenáročné používanie
Použitie
Analógový voltmeter 51-140- je určený na meranie jednosmerného napätia v elektrických a elektronických zostavách. Uplatní sa pri domácich projektoch, servisných prácach aj v jednoduchých inštaláciách, kde je potrebná rýchla vizuálna kontrola napätia.
- Meranie DC napätia do 40 V
- Kontrola napájacích zdrojov
- Ovládacie a meracie panely
- Servisné a montážne aplikácie
- Technické a hobby využitie
Technické údaje
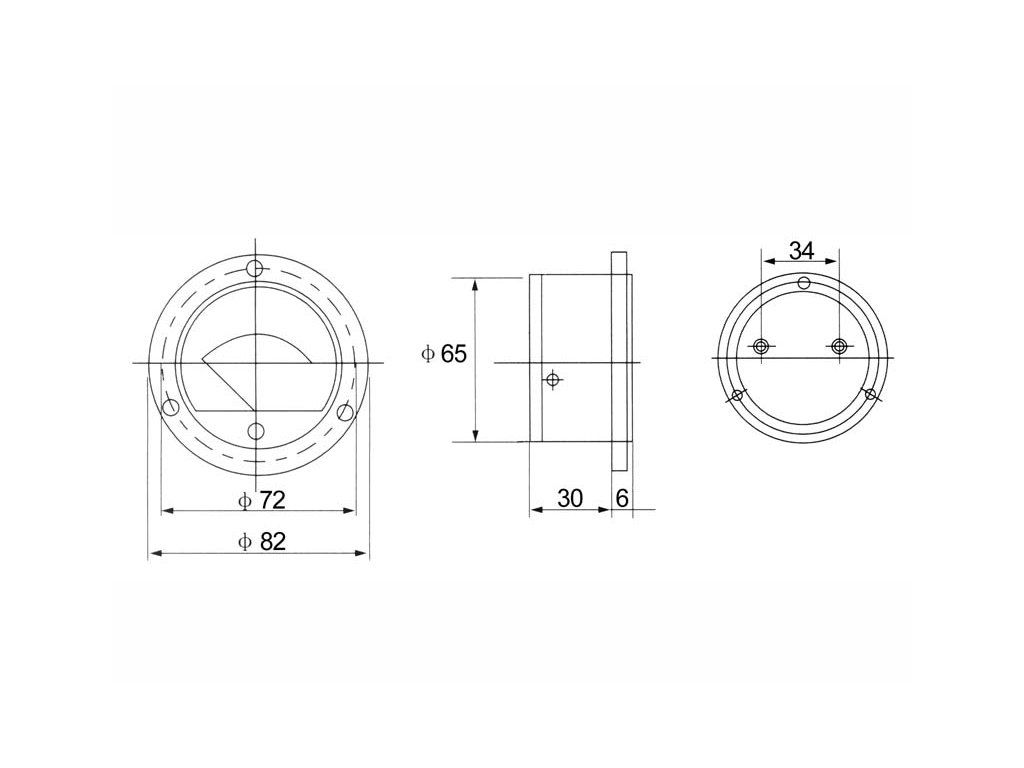
Produkt má overené technické parametre podľa dostupných zdrojov. Pred montážou odporúčame skontrolovať aj rozmery podľa nákresu v galérii, aby presne sedel do pripravovaného otvoru alebo panela.
- Kód: 51-140
- EAN: 5900804004875
- Rozsah: 0–40 V
- Typ prúdu: jednosmerný DC
- Presnosť: CLASS 2,5
- Tvar: okrúhly
- Rozmery: podľa nákresu v galérii
Dôležité informácie
Produkt je dodávaný ako samostatný merací prístroj. Pri výbere odporúčame overiť požadovaný rozsah merania a spôsob montáže, aby voltmeter zodpovedal vašej aplikácii.
- Pred objednaním si overte požadovaný rozsah 0–40 V
- Skontrolujte rozmery podľa obrázka v galérii
- Vhodný výhradne pre jednosmerné napätie DC
- Zobrazenie je analógové, nie digitálne

Dodatočné parametre
| Kategória: | Voltmetre |
|---|---|
| EAN: | 5900804004875 |
Hodnotenie tovaru
Buďte prvý, kto napíše príspevok k tejto položke.
Diskusia
Buďte prvý, kto napíše príspevok k tejto položke.
Pod značkou XTREME vystupuje široké portfólio špičkových produktov zameraných na elektroniku. Produkty sa vyznačujú vysokou kvalitou a dlhou životnosťou. Medzi portfólio značky XTREME patria všetky druhy batérií (napríklad gélové batérie), spájkovacia technika, multimetre, káble, laboratórne zdroje. Všetky produkty podliehajú prísnym normám Európskej únie a disponujú výbornou kvalitou. Pabex ponúka kompletnú ponuku tejto značky.

