Analógový voltmeter 10 V 51-110-
Kód: 51-110-Podrobný popis
Analógový voltmeter 10 V XTREME
Analógový voltmeter 10 V XTREME je okrúhly panelový merací prístroj určený na jednoduchú a prehľadnú kontrolu napätia v jednosmerných obvodoch. Vďaka klasickému analógovému zobrazeniu je odčítanie hodnoty rýchle a prirodzené, čo oceníte pri bežnom monitorovaní napätia v zariadeniach a inštaláciách.

Hlavné vlastnosti
- Rozsah merania: 0 – 10 V
- Určený pre jednosmerné napätie (DC)
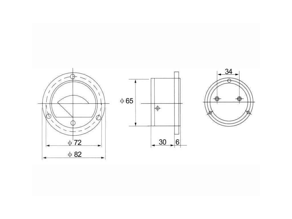
- Kruhové prevedenie vhodné na zabudovanie do panela
- Presnosť triedy 2,5
- Prehľadné analógové zobrazenie hodnoty
Kde nájde využitie
Tento voltmeter je vhodný všade tam, kde potrebujete vizuálne sledovať jednosmerné napätie v rozsahu do 10 V. Uplatnenie nájde v rozvádzačoch, menších elektrických zostavách, napájacích zdrojoch, hobby projektoch aj v servisných aplikáciách.
Prečo si ho vybrať
- Jednoduchá kontrola napätia bez potreby digitálneho displeja
- Kompaktné okrúhle prevedenie šetrí miesto v paneli
- Vhodný pre bežné technické a montážne použitie
- Spoľahlivé základné meranie v DC obvodoch
Technické informácie
- Kód produktu: 51-110
- EAN: 5900804004837
- Značka: XTREME
- Pracovný rozsah: 0 – 10 V
- Typ prúdu: jednosmerný (DC)
- Presnosť: trieda 2,5
- Rozmery: podľa nákresu v galérii
Dôležité upozornenie
Produkt je určený na meranie jednosmerného napätia v uvedenom rozsahu. Pred montážou odporúčame skontrolovať rozmery podľa nákresu v galérii, aby bola zabezpečená správna kompatibilita s vaším panelom alebo zariadením.

Dodatočné parametre
| Kategória: | Voltmetre |
|---|---|
| EAN: | 5900804004837 |
| Položka bola vypredaná… | |
Hodnotenie tovaru
Buďte prvý, kto napíše príspevok k tejto položke.
Diskusia
Buďte prvý, kto napíše príspevok k tejto položke.
Pod značkou XTREME vystupuje široké portfólio špičkových produktov zameraných na elektroniku. Produkty sa vyznačujú vysokou kvalitou a dlhou životnosťou. Medzi portfólio značky XTREME patria všetky druhy batérií (napríklad gélové batérie), spájkovacia technika, multimetre, káble, laboratórne zdroje. Všetky produkty podliehajú prísnym normám Európskej únie a disponujú výbornou kvalitou. Pabex ponúka kompletnú ponuku tejto značky.

