Analógový voltmeter 20 V 2406-
Kód: 2406-Podrobný popis
Analógový voltmeter 20 V XTREME
Analógový voltmeter 20 V XTREME je praktický panelový merací prístroj určený na základnú kontrolu jednosmerného napätia v rozsahu do 20 V. Vďaka prehľadnému analógovému zobrazeniu umožňuje rýchle odčítanie hodnoty napätia priamo na zariadení alebo v elektrickom paneli.

Hlavné vlastnosti
- meranie jednosmerného napätia v rozsahu 0–20 V
- analógové zobrazenie s jednoduchým a rýchlym odčítaním
- presnosť triedy CLASS 2,5
- kompaktné vyhotovenie vhodné do panelovej montáže
- určené pre základné monitorovanie napätia v zariadeniach a obvodoch
Technická špecifikácia
- pracovný rozsah: 0–20 V
- typ prúdu: DC
- presnosť: CLASS 2,5
- kód produktu: 2406#
- EAN: 5900804004738
Použitie
Tento voltmeter je vhodný všade tam, kde je potrebné vizuálne sledovať úroveň jednosmerného napätia. Nájde uplatnenie v elektronických zostavách, napájacích zdrojoch, meracích paneloch, laboratórnych projektoch aj v hobby použití.
Výhody pre zákazníka
- jednoduché a rýchle odčítanie hodnoty bez zložitého nastavovania
- prehladná kontrola napätia priamo na zariadení
- vhodný pre technické aj hobby aplikácie
- spoľahlivé riešenie pre základné meranie DC napätia
Dôležité informácie
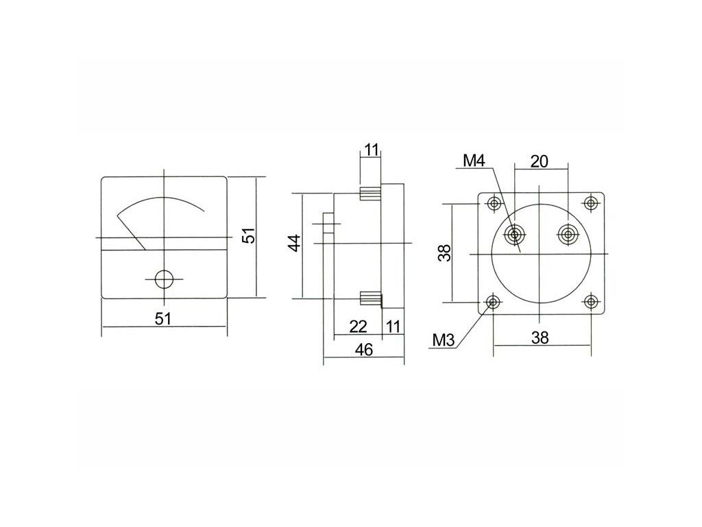
Rozmery sú uvedené v nákrese v galérii produktu. Pred montážou odporúčame overiť kompatibilitu s vaším zariadením alebo panelom. Produkt je dodávaný ako samostatný merací prístroj bez uvedeného príslušenstva.
- rozmery skontrolujte podľa obrázku v galérii
- pred použitím overte vhodnosť pre vaše zapojenie
- balenie neobsahuje bližšie špecifikované príslušenstvo

Dodatočné parametre
| Kategória: | Voltmetre |
|---|---|
| EAN: | 5900804004738 |
| Položka bola vypredaná… | |
Hodnotenie tovaru
Buďte prvý, kto napíše príspevok k tejto položke.
Diskusia
Buďte prvý, kto napíše príspevok k tejto položke.
Pod značkou XTREME vystupuje široké portfólio špičkových produktov zameraných na elektroniku. Produkty sa vyznačujú vysokou kvalitou a dlhou životnosťou. Medzi portfólio značky XTREME patria všetky druhy batérií (napríklad gélové batérie), spájkovacia technika, multimetre, káble, laboratórne zdroje. Všetky produkty podliehajú prísnym normám Európskej únie a disponujú výbornou kvalitou. Pabex ponúka kompletnú ponuku tejto značky.

