Analógový ampérmeter 30A s bočníkom 4640-
Kód: 4640-Podrobný popis
Analógový ampérmeter 30A s bočníkom 4640
Analógový ampérmeter XTREME s vbudovaným bočníkom je určený na presné meranie jednosmerného prúdu v rozsahu do 30 A. Prehľadný ukazovateľ umožňuje rýchle odčítanie hodnoty prúdu priamo na stupnici, čo oceníte pri montáži do rozvádzačov, nabíjacích systémov, napájacích zdrojov alebo iných DC aplikácií.

Hlavné vlastnosti
- merací rozsah 0–30 A
- určený pre jednosmerný prúd DC
- zabudovaný bočník pre jednoduchšie zapojenie
- analógové zobrazenie hodnôt pre rýchlu kontrolu
- presnosť triedy 2,5
- kompaktné vyhotovenie vhodné na panelovú montáž
Použitie
Tento ampérmeter je vhodný tam, kde je potrebné priebežne sledovať odber prúdu v jednosmerných obvodoch. Uplatní sa v dielni, v hobby projektoch aj v technických zostavách, kde je dôležitý jednoduchý a spoľahlivý prehľad o zaťažení.
- meranie prúdu v DC obvodoch
- kontrola odberu v napájacích systémoch
- monitorovanie nabíjania a vybíjania
- vhodný pre technické a servisné aplikácie
Technická špecifikácia
- typ: analógový ampérmeter s bočníkom
- rozsah merania: 0–30 A
- typ prúdu: DC
- presnosť: trieda 2,5
- kód produktu: 4640
- čiarový kód EAN: 5900804004578
Dôležité informácie
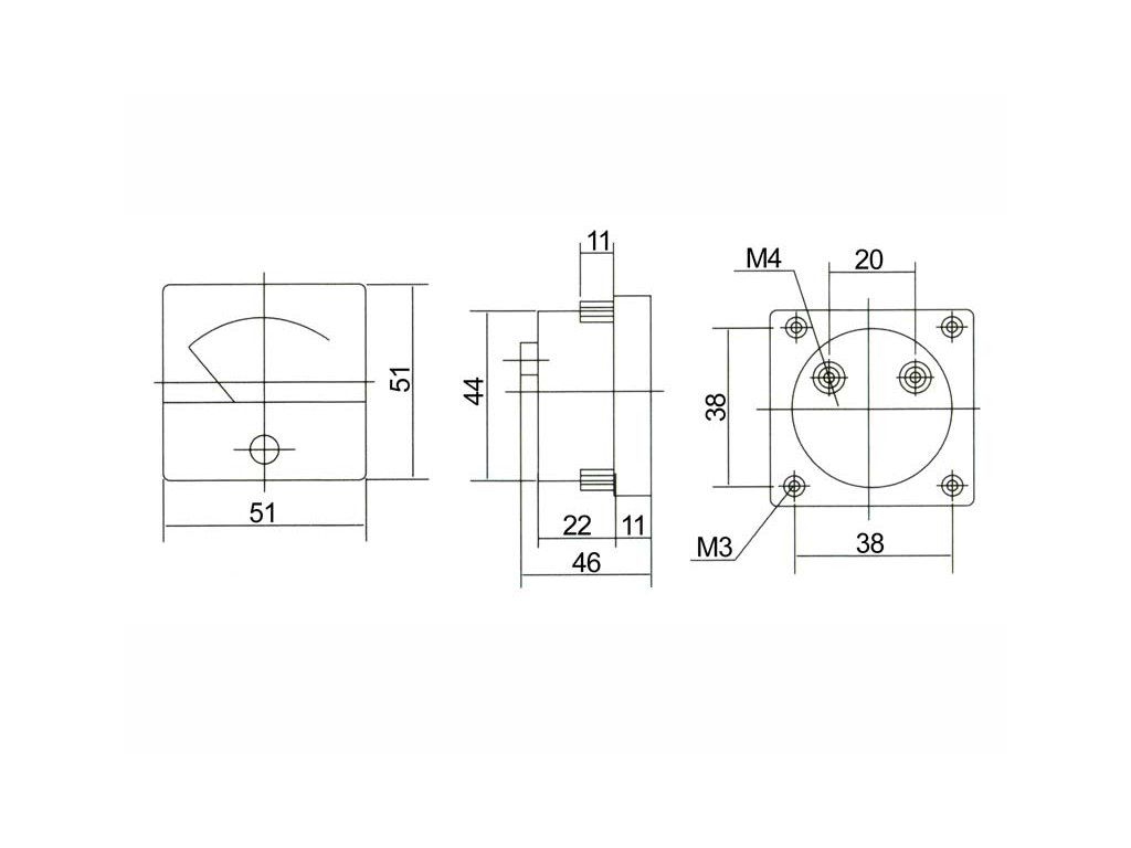
Pred montážou si skontrolujte rozmery podľa nákresu v galérii, aby prístroj správne pasoval do vášho panela alebo zariadenia. Pri zapojení dodržte správnu polaritu a odporúčané podmienky pre meranie jednosmerného prúdu.
- pred kúpou overte rozmery z obrázku v galérii
- určené len pre DC meranie
- montáž a zapojenie odporúčame vykonať podľa technickej schémy zariadenia

Dodatočné parametre
| Kategória: | Analógové ampérmetre |
|---|---|
| EAN: | 5900804004578 |
Hodnotenie tovaru
Buďte prvý, kto napíše príspevok k tejto položke.
Diskusia
Buďte prvý, kto napíše príspevok k tejto položke.
Pod značkou XTREME vystupuje široké portfólio špičkových produktov zameraných na elektroniku. Produkty sa vyznačujú vysokou kvalitou a dlhou životnosťou. Medzi portfólio značky XTREME patria všetky druhy batérií (napríklad gélové batérie), spájkovacia technika, multimetre, káble, laboratórne zdroje. Všetky produkty podliehajú prísnym normám Európskej únie a disponujú výbornou kvalitou. Pabex ponúka kompletnú ponuku tejto značky.

