Analógový ampérmeter 51-050-
Kód: 51-050-Podrobný popis
Analógový ampérmeter 51-050
Analógový ampérmeter 51-050- je kruhový merací prístroj určený na sledovanie jednosmerného prúdu do 5 A. Súčasťou balenia je bočník, vďaka ktorému je zapojenie vhodné pre presnejšie meranie v bežných elektroinštalačných a montážnych aplikáciách. Ide o praktické riešenie pre jednoduchú vizuálnu kontrolu odberu prúdu.

Hlavné vlastnosti
- Rozsah merania: 0 – 5 A
- Určený pre jednosmerný prúd (DC)
- Presnosť: trieda 2,5
- Kruhové analógové prevedenie
- Súčasťou je bočník
- EAN: 5900804004660
Výhody použitia
Analógové zobrazenie umožňuje rýchle a prehľadné odčítanie hodnoty bez potreby displeja. Bočník napomáha správnemu meraniu prúdu v zapojení a zvyšuje univerzálnosť použitia. Ampérmeter je vhodný tam, kde je dôležitý jednoduchý prehľad o prúde v obvode.
- Okamžitý vizuálny prehľad o prúde
- Jednoduché a overené riešenie pre DC obvody
- Vhodný do rozvádzačov, panelov a technických zostáv
- Praktické meranie bez zložitej elektroniky
Použitie
Produkt je určený na meranie jednosmerného prúdu v rôznych technických a servisných zostavách. Oceníte ho pri montáži, údržbe aj pri kontrole fungovania napájacích obvodov, nabíjacích zariadení či iných DC aplikácií.
- elektrotechnické inštalácie
- rozvádzače a ovládacie panely
- servisné a montážne aplikácie
- kontrola DC napájacích okruhov
Technické parametre
- Pracovný rozsah: 0 – 5 A
- Typ prúdu: DC
- Presnosť: CLASS 2,5
- Tvar: okrúhly
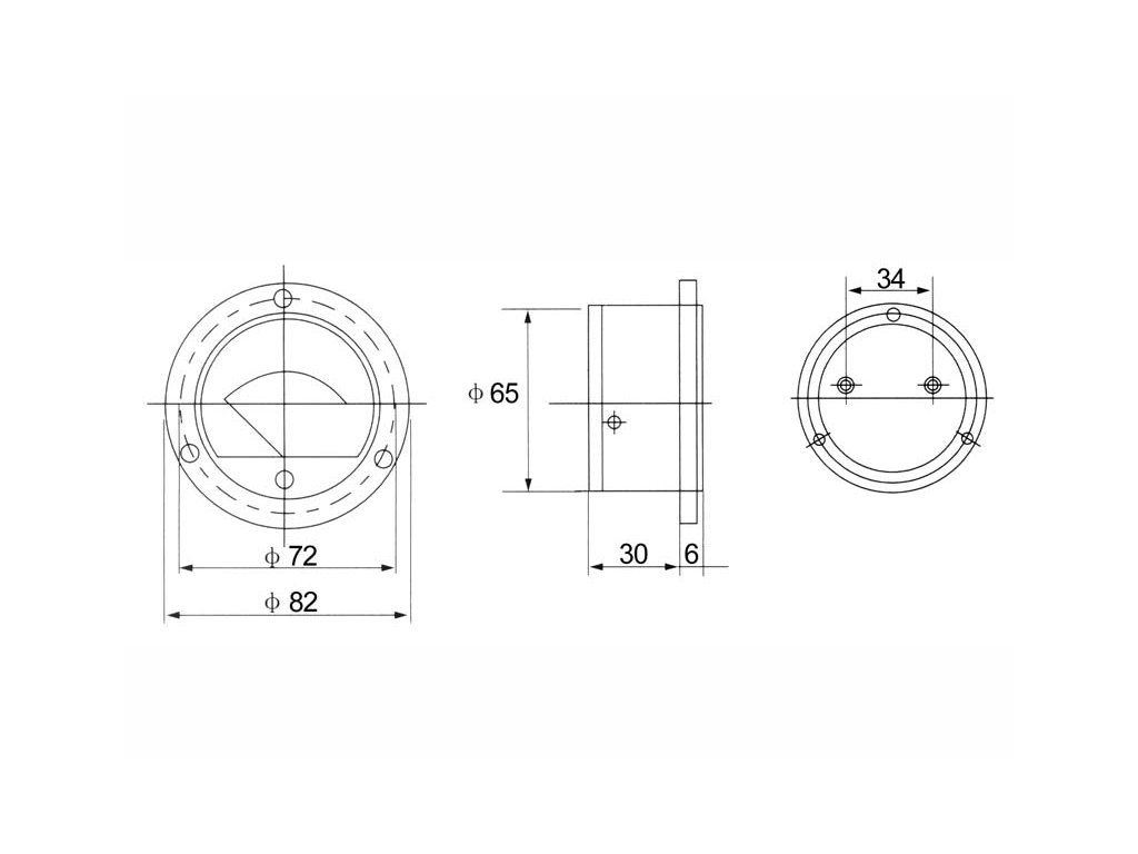
- Rozmery: podľa nákresu v galérii
- Produktové označenie: 51-050
Dôležité informácie
Pred montážou odporúčame skontrolovať kompatibilitu s vaším zapojením a dodržať správne zapojenie bočníka. Rozmery produktu sú uvedené v obrazovej galérii, preto ich odporúčame overiť ešte pred inštaláciou.
- Pred použitím overte vhodnosť pre vaše DC zapojenie
- Skontrolujte rozmery podľa nákresu v galérii
- Montáž vykonávajte odborným spôsobom

Dodatočné parametre
| Kategória: | Analógové ampérmetre |
|---|---|
| EAN: | 5900804004660 |
Hodnotenie tovaru
Buďte prvý, kto napíše príspevok k tejto položke.
Diskusia
Buďte prvý, kto napíše príspevok k tejto položke.
Pod značkou XTREME vystupuje široké portfólio špičkových produktov zameraných na elektroniku. Produkty sa vyznačujú vysokou kvalitou a dlhou životnosťou. Medzi portfólio značky XTREME patria všetky druhy batérií (napríklad gélové batérie), spájkovacia technika, multimetre, káble, laboratórne zdroje. Všetky produkty podliehajú prísnym normám Európskej únie a disponujú výbornou kvalitou. Pabex ponúka kompletnú ponuku tejto značky.

