Analógový ampérmeter 100A 51-211-
Kód: 51-211-Podrobný popis
Analógový ampérmeter 100A 51-211
Analógový ampérmeter LARGE 100A je spoľahlivý merací prístroj určený na prehľadné sledovanie jednosmerného prúdu v rozsahu do 100 A. Vďaka analógovému zobrazeniu poskytuje rýchly a dobre čitateľný prehľad o aktuálnej záťaži v zapojení. Je vhodný do rôznych elektrických rozvodov, nabíjacích systémov, zdrojov a ďalších aplikácií, kde je potrebné kontrolovať prúdové zaťaženie.

Hlavné vlastnosti
- merací rozsah 0–100 A
- určený pre jednosmerný prúd
- presnosť triedy 1,5
- veľký a prehľadný analógový ciferník
- vhodný na panelovú montáž
Použitie v praxi
Tento ampérmeter je určený najmä na kontrolu jednosmerného prúdu v technických a elektrických zostavách. Uplatní sa pri meraní v batériových systémoch, nabíjačkách, zdrojoch, rozvádzačoch alebo pri servisných a montážnych aplikáciách, kde je dôležité mať okamžitý vizuálny prehľad o prúde.
Dôležité informácie k zapojeniu
Ampérmeter sa dodáva bez bočníka. Na správne meranie je potrebné použiť bočník 100 A / 75 mV. Pred montážou odporúčame overiť vhodnosť zapojenia podľa technických požiadaviek vášho zariadenia.
Technické parametre
- pracovný rozsah: 0–100 A
- typ prúdu: jednosmerný
- presnosť: trieda 1,5
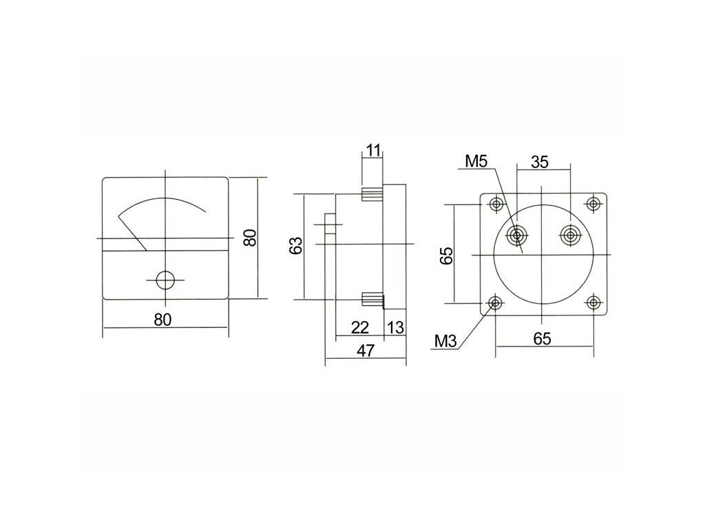
- rozmery: podľa nákresu v galérii
- dodanie: bez bočníka
Prečo si vybrať tento model
Analógový ampérmeter 100A 51-211- je praktické riešenie pre jednoduché a rýchle meranie prúdu. Oceňovaný je najmä pre prehľadnosť zobrazenia, jednoduchú orientáciu pri prevádzke a kompatibilitu s bežným bočníkom pre meranie vyšších prúdov.

Dodatočné parametre
| Kategória: | Analógové ampérmetre |
|---|---|
| EAN: | 5900804004585 |
Hodnotenie tovaru
Buďte prvý, kto napíše príspevok k tejto položke.
Diskusia
Buďte prvý, kto napíše príspevok k tejto položke.
Pod značkou XTREME vystupuje široké portfólio špičkových produktov zameraných na elektroniku. Produkty sa vyznačujú vysokou kvalitou a dlhou životnosťou. Medzi portfólio značky XTREME patria všetky druhy batérií (napríklad gélové batérie), spájkovacia technika, multimetre, káble, laboratórne zdroje. Všetky produkty podliehajú prísnym normám Európskej únie a disponujú výbornou kvalitou. Pabex ponúka kompletnú ponuku tejto značky.

