Plochý konektor samica s izoláciou 5570-
Kód: 5570-Podrobný popis
Plochý konektor samica s izoláciou 5570
Plochý konektor samica s izoláciou 5570- je určený na spoľahlivé a bezpečné ukončenie viacvlnkových medených káblov. Vďaka plnej izolácii chráni spoj pred nechceným kontaktom a uľahčuje rýchlu montáž v elektroinštaláciách, opravách aj pri bežnom servisnom použití.

Hlavné vlastnosti
- ploché prevedenie samica
- plne izolované vyhotovenie
- vhodné pre viacvláknové medené vodiče
- spoľahlivý kontakt a jednoduchá manipulácia
- praktická červená farba izolácie pre ľahšiu identifikáciu
Technické parametre
- materiál: mosadz, pocínovaná
- izolácia: PVC
- prierez vodiča: 0,5–1,5 mm?
- šírka zásuvky: 6,6 mm
- pracovná teplota: -55 °C až 105 °C
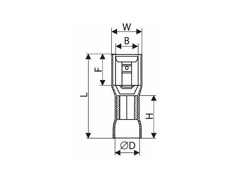
Rozmery
- B: 6,6 mm
- F: 7,8 mm
- Š: 10 mm
- L: 24 mm
- H: 10 mm
- D: 3,6 mm
- výška: 0,8 mm
Použitie
Konektor je vhodný pre rýchle a prehľadné spojovanie vodičov v elektroinštaláciách, rozvádzačoch, spotrebičoch aj pri údržbe zariadení. Je praktickým riešením tam, kde je potrebné jednoduché odpojenie a opätovné pripojenie vodiča.
Výhody pre zákazníka
- rýchla a čistá montáž
- zvýšená bezpečnosť vďaka izolácii
- dobrá odolnosť voči teplu aj chladu
- kompaktné rozmery pre rôzne aplikácie
- vhodné riešenie pre profesionálne aj domáce použitie

Dodatočné parametre
| Kategória: | Montážne konektory |
|---|---|
| EAN: | 5900804017615 |
Hodnotenie tovaru
Buďte prvý, kto napíše príspevok k tejto položke.
Diskusia
Buďte prvý, kto napíše príspevok k tejto položke.
