Analógový ampérmeter s bočníkom 7,5 A 51-075-
Kód: 51-075-Podrobný popis
Analógový ampérmeter s bočníkom 7,5 A 51-075
Analógový kruhový ampérmeter s bočníkom je určený na presné meranie jednosmerného prúdu do 7,5 A. Vďaka prehľadnému analógovému ukazovaniu umožňuje rýchlu kontrolu hodnoty prúdu priamo na zariadení alebo v elektrickom rozvode. Ide o praktické riešenie pre technické aplikácie, kde je dôležitý jednoduchý a okamžitý odpočet.
- pracovný rozsah: 0 – 7,5 A
- typ prúdu: DC
- presnosť: trieda 2,5
- kruhové vyhotovenie s bočníkom

Hlavné výhody
Tento ampérmeter je vhodný všade tam, kde potrebujete spoľahlivo sledovať zaťaženie a okamžitú spotrebu prúdu. Analógový displej je dobre čitateľný a jednoduchý na použitie aj v bežnej prevádzke. Bočník umožňuje bezpečnejšie a praktickejšie zapojenie merania v danom rozsahu.
- rýchly a intuitívny odpočet hodnoty
- vhodný na sledovanie DC prúdu
- jednoduché použitie v technických zostavách
- kompaktné kruhové prevedenie
Použitie
Ampérmeter nájde uplatnenie v elektroinštaláciách, nabíjacích systémoch, dielenských zariadeniach, hobby projektoch aj v rôznych meracích a riadiacich zostavách. Je vhodný na priebežnú kontrolu prúdu pri jednosmerných aplikáciách, kde pomáha odhaliť preťaženie alebo neštandardnú prevádzku.
- elektroinštalácie a rozvody
- nabíjacie a napájacie zostavy
- dielenské a servisné zariadenia
- DIY a technické projekty
Technické parametre
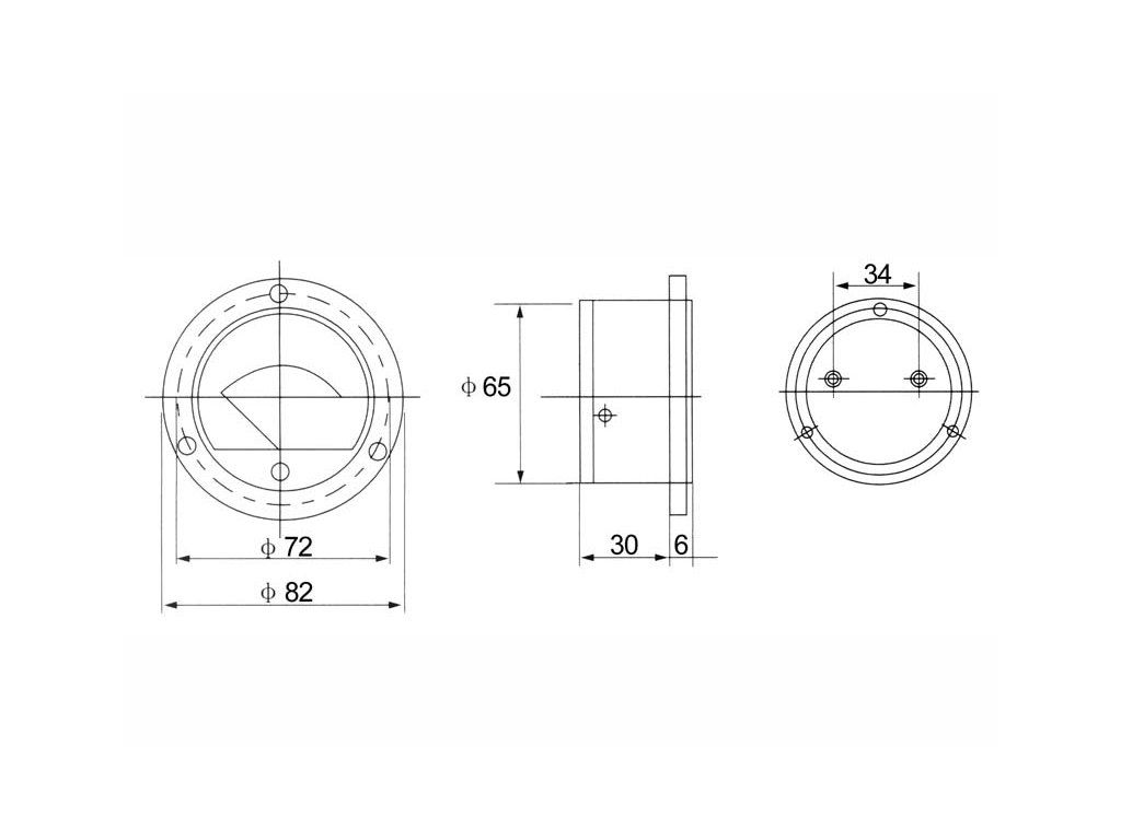
Produkt je dodávaný v okrúhlom vyhotovení. Rozmery sú uvedené v obrázkovej galérii produktu. Pri montáži odporúčame overiť kompatibilitu s vaším zariadením a spôsob zapojenia podľa technickej dokumentácie.
- kód: 51-075
- EAN: 5900804004677
- maximálny rozsah merania: 7,5 A
- napätie/prúd: jednosmerný prúd DC
- presnosť: CLASS 2,5
- rozmery: podľa nákresu v galérii
Dôležité informácie
Pred nákupom si skontrolujte požadovaný rozsah merania, typ prúdu a montážne rozmery. Produkt je určený na meranie jednosmerného prúdu a nie je vhodný pre striedavý prúd. Pre správnu funkciu odporúčame inštaláciu vykonať v súlade s technickými zásadami pre meracie prístroje.
- určené pre DC prúd
- nie je vhodné na meranie striedavého prúdu
- overte si montážne rozmery pred inštaláciou
- vhodné pre technické a servisné použitie

Dodatočné parametre
| Kategória: | Analógové ampérmetre |
|---|---|
| EAN: | 5900804004677 |
Hodnotenie tovaru
Buďte prvý, kto napíše príspevok k tejto položke.
Diskusia
Buďte prvý, kto napíše príspevok k tejto položke.
Pod značkou XTREME vystupuje široké portfólio špičkových produktov zameraných na elektroniku. Produkty sa vyznačujú vysokou kvalitou a dlhou životnosťou. Medzi portfólio značky XTREME patria všetky druhy batérií (napríklad gélové batérie), spájkovacia technika, multimetre, káble, laboratórne zdroje. Všetky produkty podliehajú prísnym normám Európskej únie a disponujú výbornou kvalitou. Pabex ponúka kompletnú ponuku tejto značky.

