R5-12.10 - 12V - Elektrotrieda pre hliníkové profily - Elektra Plus
Kód: EC-13036Podrobný popis
Elektrický zámok pre hliníkové profily R5-12.10 - 12V - Elektra Plus
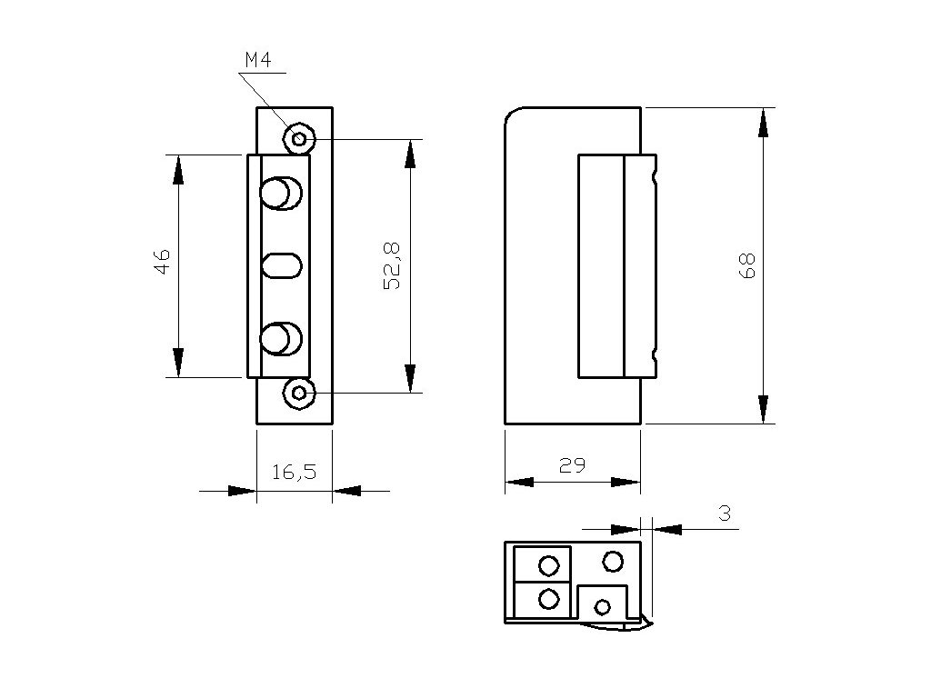
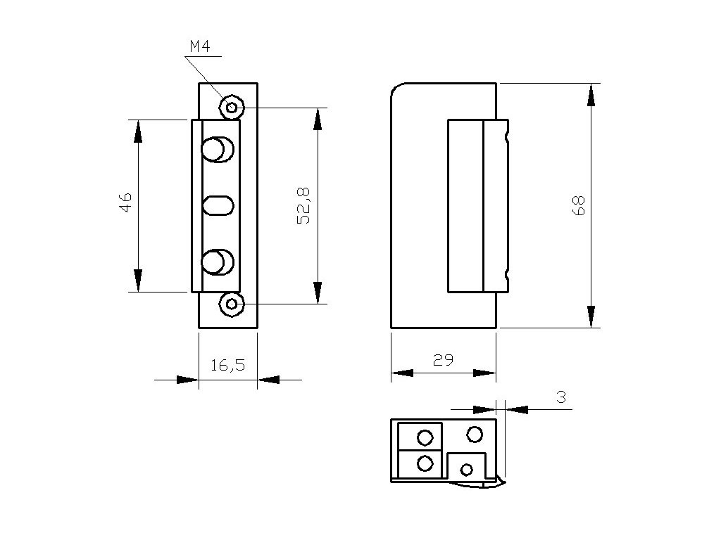
Elektrický zámok R5-12.10 je určený na vzdialené otváranie ľavých a pravých dverí a bránok ako aj dvojkrídlových dverí. Spolupracuje so západkovým alebo západkovým posuvným zámkom. Určený na použitie tam, kde je možné vyhotoviť otvor s rozmermi 17x30x69 mm. Výhodou zámku sú malé rozmery, symetrickosť, vďaka ktorej môže byť verzia montovaná na ľavé aj pravé dvere, a vyššia spoľahlivosť aj v prípade pokriveného rámu alebo deformovaných dverí. Verzia zámku je štandardná - umožňuje odblokovanie dverí po dodaní napätia do cievky. Práca zámku sa vyznačuje tichým bzučaním.
Symetrická konštrukcia a malé rozmery umožňujú jeho použitie v systéme posuvných brán. Zámok R5 môže spolupracovať s domovým telefónom vo všetkých typoch vstupných dverí. Je vyrobený z materiálov odolných voči korózii, preto môže byť inštalovaný vonku, avšak mal by byť chránený pred zaliatím, vplyvmi počasia a zatieraním farbou.
Technické parametre:
- Napájanie - 8V-12V AC/DC
- Maximálne zaťaženie - 3000 N (300 kg)
- Povolený tlak na dvere počas otvárania - 30N (3 kg)
- Povolený čas nepretržitej prevádzky - 30 min.
- Spotreba prúdu - 500mA (AC), 600mA (DC) (pre 12V)
Hodnotenie tovaru
Buďte prvý, kto napíše príspevok k tejto položke.
Diskusia
Buďte prvý, kto napíše príspevok k tejto položke.
