R3-KAS.US-S - Surová kazeta prispôsobená pre háky R3/R4/R5 - Elektra Plus
Kód: EC-25069Súvisiaci tovar
Podrobný popis
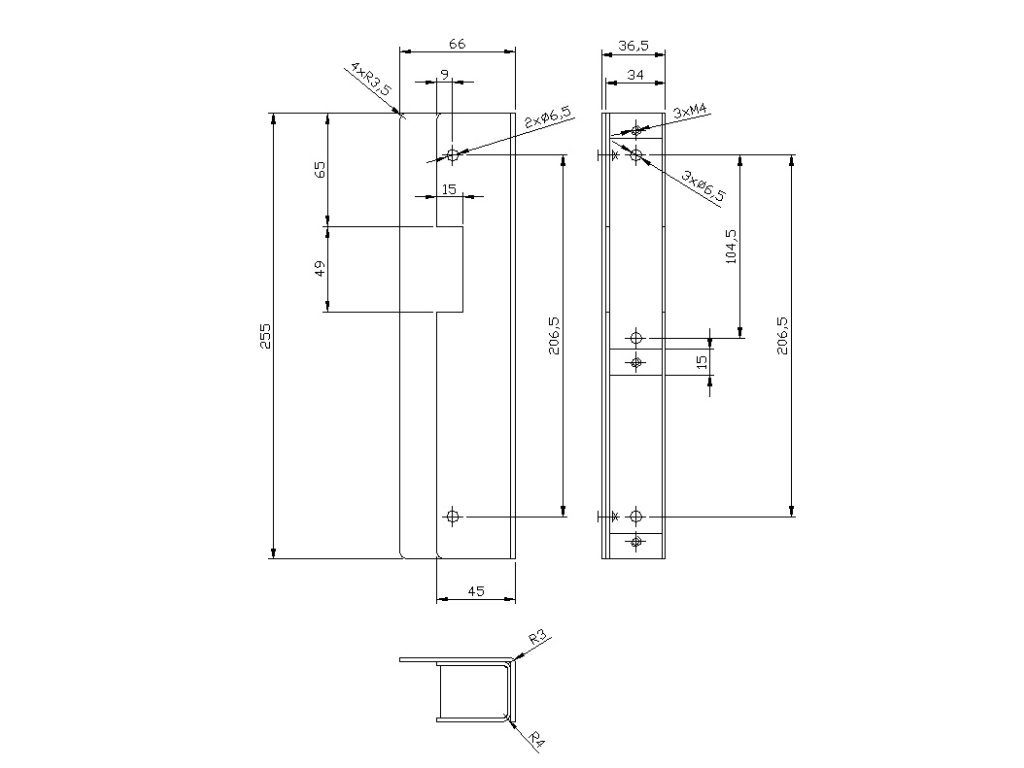
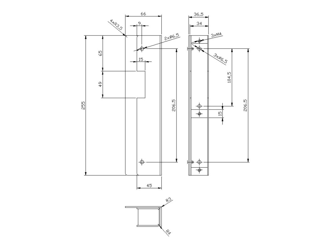
Kazeta prispôsobená na úchyty R3/R4/R5 - Elektra Plus
Kazeta prispôsobená na úchyty R3, R4 a R5. Prispôsobenie na vhodný úchyt umožňuje doraz, ktorý môže byť upevnený na obidvoch stranách kazety. Vyrobená z plechu s hrúbkou 2 mm (kazeta) a 2,5 mm (doraz). Kazetu je možné namontovať na povrch alebo do vhodnej hĺbky zamurovať do stĺpika. Povrchová úprava predstavuje dobrú prípravu na nanášanie farieb, najmä práškových alebo zinkovanie.
Technické parametre:
- Hmotnosť 1 kg
- Spôsob upevnenia kazety: skrutky M5 alebo M6 alebo zváranie
- Povrchová úprava: surový plech (fosforečnanovaný); pripravený na práškovú farbu alebo zinkovanie
- Upevnenie úchytu: pomocou dlhého alebo krátkeho štítku (3 skrutky M4x8 v sade)
Hodnotenie tovaru
Buďte prvý, kto napíše príspevok k tejto položke.
Diskusia
Buďte prvý, kto napíše príspevok k tejto položke.
