R3-KAS.US-C - Univerzálna pozinkovaná páska R3/R4/R5 - Elektra Plus
Kód: EC-23623Podrobný popis
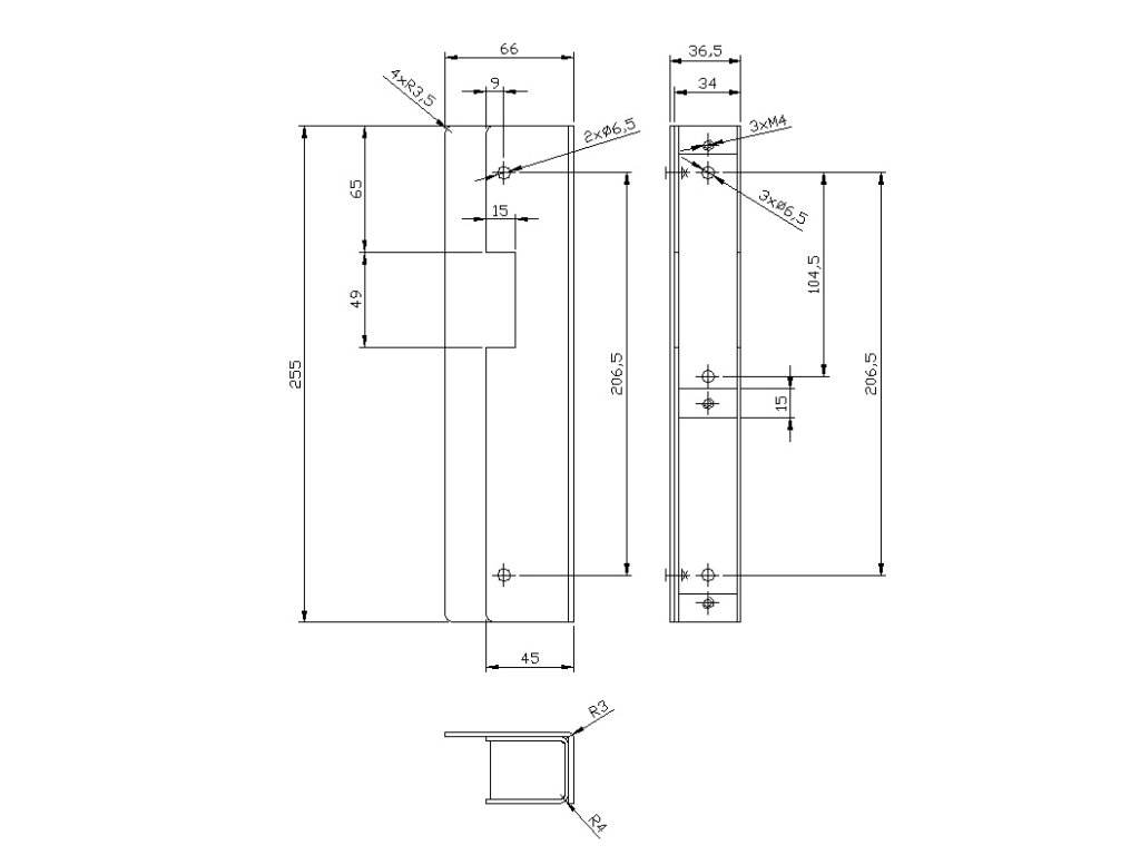
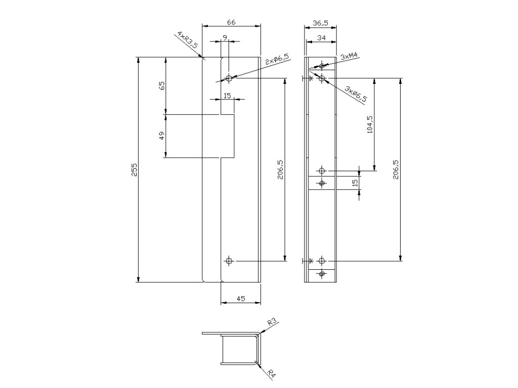
Univerzálna kazeta R3/R4/R5 pozinkovaná s kovaním - Elektra Plus
Kazeta prispôsobená pre zámky R3, R4 a R5. Prispôsobenie pre vhodný zámok umožňuje doraz, ktorý môže byť upevnený z oboch strán kazety. Vyrobená z plechu o hrúbke 2 mm (kazeta) a 2,5 mm (doraz). Kazetu možno namontovať povrchovo alebo zamurovať v stĺpiku do vhodnej hĺbky. Produkt je pokrytý zinkovou vrstvou.
Technické parametre:
- Hmotnosť 1kg
- Spôsob upevnenia kazety skrutky M5 alebo M6 alebo zváranie
- Povrchová úprava zinková vrstva
- Upevnenie zámku pomocou dlhého alebo krátkeho kovania (3 skrutky M4x8 v sade)
Hodnotenie tovaru
Buďte prvý, kto napíše príspevok k tejto položke.
Diskusia
Buďte prvý, kto napíše príspevok k tejto položke.
