PS-817 - Modul spínaného napájacieho zdroja 1.75A - Paradox
Kód: EC-06272Súvisiaci tovar
Výrobca: Vidicon
PIR pohybový senzor O-OR-CR-253 od Orno je spoľahlivý stropný senzor pohybu pre domácnosti aj komerčné priestory. Vďaka 360° detekcii, trom detektorom a dosahu až 10 m efektívne...
Vonkajší PIR senzor Orno O-OR-CR-201/W s uhlom detekcie 180° spoľahlivo zachytí pohyb pri vchode, na terase aj okolo domu. Vďaka IP44 je vhodný na vonkajšie použitie a pri...
Satel
PIR senzor pohybu O-OR-CR-254/W spoľahlivo sníma pohyb v rozsahu 360°/180° a je určený na vonkajšie použitie. Vďaka krytiu IP65 odolá prachu aj dažďu, takže sa hodí na fasádu,...
Satel
PIR pohybový senzor Orno O-OR-CR-204/B s detekciou v uhle 180° je určený na spoľahlivé spínanie osvetlenia pri pohybe. Vďaka nastaviteľnej citlivosti na svetlo a dobe zopnutia...
Satel
Stropný pohybový senzor 360° 71-592- je praktické riešenie pre automatické spínanie osvetlenia v interiéri. Vďaka detekcii pohybu v celom 360° rozsahu poskytuje spoľahlivé a...
Podrobný popis
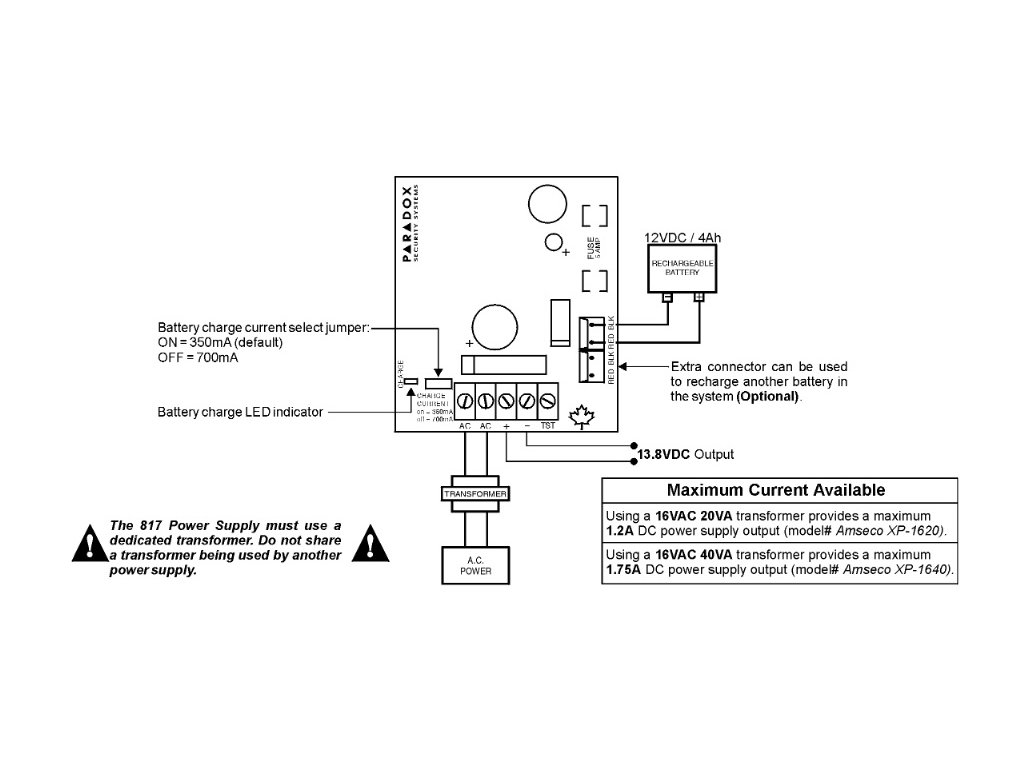
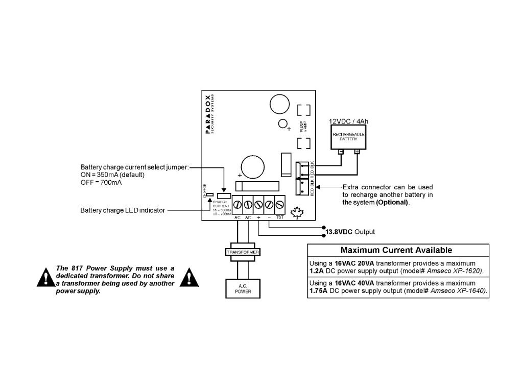
Charakteristika PS817
- Modul impulzného napájacieho zdroja
- Napätie: 13.8V DC
- Prúd: 1,75A
- Automatický štart po výpadku napájania.
Popis PS 817
Modul impulzného napájacieho zdroja PS-817 od firmy Paradox z Kanady. Napájací zdroj s výstupným napätím 13,8 V jednosmerného prúdu DC a prúdom 1.75 A. Po návrate stratenej dodávky energie, zariadenie sa automaticky spustí.
SenzorPokrytie pohybu v 360° rozsahu.Umiestnenie na strop pre optimálnu detekciu.Použitie mikrovlnnej technológie na presnú detekciu.Ideálne pre zabezpečenie a úsporu energie v...
Paradox
Paradox
Senzor pohybu IP44 O-OR-MA-717 je praktické riešenie na monitorovanie vstupov, chodieb, garáží, pivníc, dvorov či parkovísk. Spoľahlivo zachytí pohyb do vzdialenosti 8 m a...
Pohybový senzor O-OR-CR-262/B s detekciou v uhle 220° je určený na automatické spínanie osvetlenia a iných elektrických zariadení. Vďaka IP65 krytiu je vhodný aj do exteriéru a...
Vidicon
Pohybový senzor 360 O-OR-CR-267 je stropný PIR senzor určený na podomietkovú montáž do sadrokartónových a podhľadových stropov. Spoľahlivo sníma pohyb v celom priestore vďaka...
Satel
Satel Typ senzora: PIR + Pet - Odolný voči zvieratám
Hodnotenie tovaru
Buďte prvý, kto napíše príspevok k tejto položke.
Diskusia
Buďte prvý, kto napíše príspevok k tejto položke.
