EWK-4001 - Kontrolný prvok s viacerými vstupmi, 8 vstupov s izolátorom skratu - POLON-ALFA
Kód: EC-06771Podrobný popis
Technické údaje
- Pracovné napätie 16,5 V ÷ 24,6 V
- Maximálny odber prúdu < 150 A
- Maximálny počet kontrolných prvkov
na dohľadovej línii 20 ks
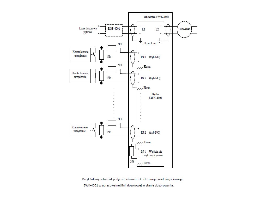
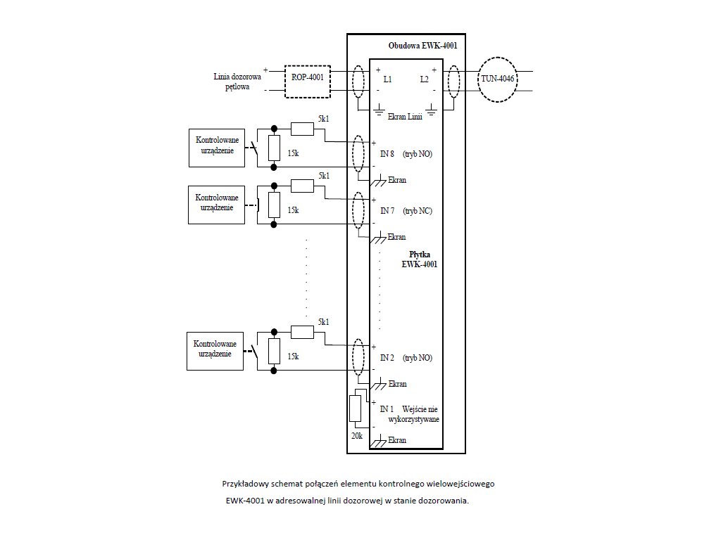
- Počet kontrolných vstupov 8
- Iniciácia kontrolného vstupu bezpotenciálovým kontaktom NO alebo NC
- Čas, po ktorom prebehne kontrola
- a potvrdenie zmeny stavu 6 sek.
- Odpor na vstupe fungujúcom ako: NO NC
v dohľadovom stave 20 k 5 k
- v alarmovom stave 5 K 20 k
Spôsob kódovania adresy programovaný z ústredne
Rozvody káblov:
- pre vodiče dohľadovej línie 2 x káblová priechodka GPA M12
- pre kontrolné vodiče 4 x káblová priechodka GPA M12, s možnosťou zvýšenia na 8 káblových priechodiek
- Pracovná teplota -25°C do +55°C
- Povolená relatívna vlhkosť do 95 % pri 40 °C
- Klimatická kategória 25/055/04
- Rozmery podľa obr.1
- Hmotnosť 0,5kg
- Tesnosť obalu IP 65
- Farba obalu šedá základňa, priehľadný kryt
Popis viacvstupového kontrolného prvku (8 vstupov) - EWK4001 - POLON-ALFA
Adresovateľný viacvstupový kontrolný prvok EWK-4001 firmy
Hodnotenie tovaru
Buďte prvý, kto napíše príspevok k tejto položke.
Diskusia
Buďte prvý, kto napíše príspevok k tejto položke.
