6025/PR2 - Vonkajšia kazeta z nehrdzavejúcej ocele s 2 tlačidlami a informačným modulom série ELITE - Miwi-Urmet
Kód: EC-16839Podrobný popis
Vonkajšia kazeta z nehrdzavejúcej ocele 6025/PR2 - Miwi-Urmet
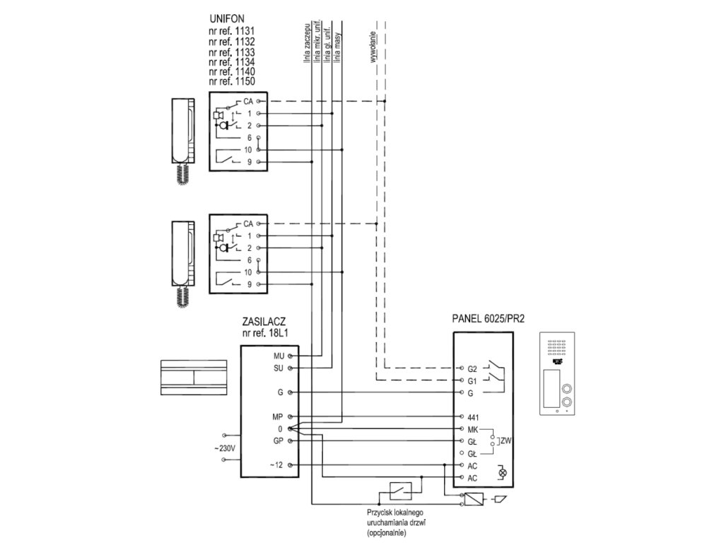
Panel 6025/PR2 má zabudovaný hovorový modul a osvetlené (biele) informačné okno. Kazeta 6025/PR2 je vyrobená z nehrdzavejúceho plechu. Jeho malé rozmery ho robia vynikajúcim na montáž na úzkych plotových stĺpikoch. Dodatočné zabezpečenie predstavujú patentné skrutky na upevnenie čelnej dosky.
Panel je vhodný na zapustenú a povrchovú montáž. Pri zapustenej verzii je odporúčané použitie zapustenej rámčekovej 6025/RP-OP-M ktorá zakrýva prípadné nerovnosti otvoru vytvoreného na panel. Povrchová montážna verzia vyžaduje použitie krytu 6025/OND-M.
Domofóny firmy Miwi-Urmet sa tešia veľmi veľkej dôvere na celom svete. Sú to veľmi pokročilé systémy domofónov najvyššej kvality, ktoré umožnia najvyššiu kvalitu ich používania. Okrem toho ich montáž aj používanie nepatria medzi zložité, čo spôsobuje, že sú to najuniverzálnejšie medzi domofónmi.
Technické parametre:
- Počet tlačidiel: 2
- Zabudovaný hovorový modul
- Jednoradová čelná doska
- Dodatočné informačné okno
- Systém "4+n"
- Materiál: nehrdzavejúca oceľ
- Stupeň ochrany IK 07
- Podsvietenie etikety LED (biela)
- Hmotnosť: 0,17 kg
- Napájanie: 12V AC
- Pracovná teplota: -20°C ÷ 45°C
- Na povrchovú montáž (s dodatočným rámčekom 6025/OND-M) a zapustenú montáž (s dodatočným rámčekom 6025/RP-OP-M)
- Spolupracuje s napájacími adaptérmi 18A2, 19A2, 18L1, 19L1
Technická špecifikácia:
| 6025/PR2 | |
|---|---|
| Všeobecné | |
| Séria panelu | Elite (6025), 925 |
| Systém | 4+n |
| Počet užívateľov | 2 |
| Počet tlačidiel | 2 |
| Rozmery | 157 x 67 x 20 mm |
| Rozmer etikety | 30 x 70 mm |
| Materiál | Nehrdzavejúca oceľ |
| Montáž | povrchová, zapustená |
| Napájacie napätie | 12VAC |
| Stupeň ochrany | IK07 |
| Pracovná teplota | -20°C ÷ +45°C |
| Hmotnosť | 0,17 kg |
Dodatočné parametre
| Kategória: | Vonkajšie panely pre interkomy |
|---|---|
| Hmotnost: | 0,17 kg |
Hodnotenie tovaru
Buďte prvý, kto napíše príspevok k tejto položke.
Diskusia
Buďte prvý, kto napíše príspevok k tejto položke.
