6025/PR1 - Vonkajšia kazeta z nehrdzavejúcej ocele s 1 tlačidlom a informačným modulom série ELITE - Miwi-Urmet
Kód: EC-16837Podrobný popis
Vonkajšia kazeta z nehrdzavejúcej ocele 6025/PR1 - Miwi-Urmet
Panel 6025/PR1 má zabudovaný hovorový modul a osvetlené (biele) informačné okno. Kazeta 6025/PR1 je vyrobená z nehrdzavejúceho plechu. Jeho malé rozmery ho robia ideálnym na montáž na úzke plotové stĺpy. Ďalšiu ochranu poskytujú patentované skrutky, ktoré pripevňujú predný panel.
Panel je prispôsobený na montáž do steny aj na povrch. V podomietkovej verzii sa odporúča použiť podomietkový rám 6025/RP-OP-M , ktorý maskuje prípadné nerovnosti otvoru pod panel. Verzia na povrchovú montáž vyžaduje použitie púzdra 6025/OND-M.
Domové telefóny spoločnosti Miwi-Urmet sú veľmi dôveryhodné na celom svete. Sú to vysoko pokročilé systémy domových telefónov najvyššej kvality, ktoré umožňujú najvyššiu kvalitu používania. Okrem toho ich inštalácia aj používanie nie sú zložité, čo robí z týchto domových telefónov tie najuniverzálnejšie.
Technické parametre:
- Počet tlačidiel: 1
- Zabudovaný hovorový modul
- Predný panel 1-riadkový
- Ďalšie informačné okno
- Systém "4+n"
- Materiál: nehrdzavejúca oceľ
- Stupeň ochrany IK 07
- Podsvietenie etikety LED (biela)
- Hmotnosť: 0,17 kg
- Napájanie: 12V AC
- Pracovná teplota: -20°C ÷ 45°C
- Na povrchovú montáž (s dodatočným rámom 6025/OND-M) a podomietkovú montáž (s dodatočným rámom 6025/RP-OP-M)
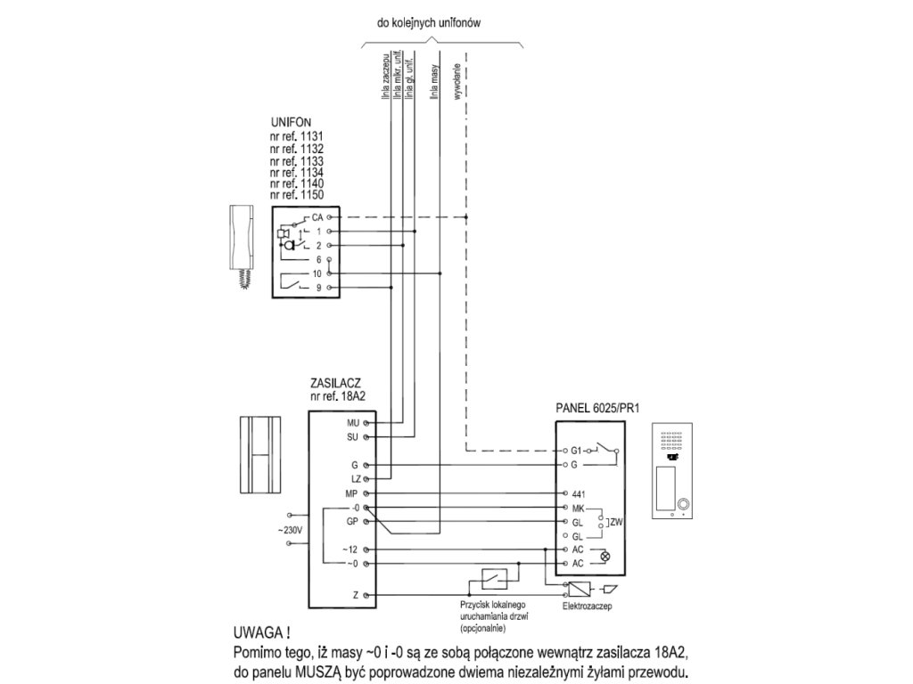
- Spolupracuje s napájacími zdrojmi 18A2, 19A2, 18L1, 19L1
Technická špecifikácia:
| 6025/PR1 | |
|---|---|
| Všeobecné | |
| Séria panelu | Elite (6025) |
| Systém | 4+n |
| Počet používateľov | 1 |
| Počet tlačidiel | 1 |
| Rozmery | 157 x 67 x 20 mm |
| Rozmer etikety | 30 x 70 mm |
| Materiál | Nehrdzavejúca oceľ |
| Montáž | na povrch, do steny |
| Napájacie napätie | 12VAC |
| Stupeň ochrany | IK07 |
| Pracovná teplota | -20°C ÷ +45°C |
| Hmotnosť | 0,17 kg |
Dodatočné parametre
| Kategória: | Vonkajšie panely pre interkomy |
|---|---|
| Hmotnost: | 0,17 kg |
Hodnotenie tovaru
Buďte prvý, kto napíše príspevok k tejto položke.
Diskusia
Buďte prvý, kto napíše príspevok k tejto položke.
