6025/402-RF - Sada domáceho telefónu s RFID čítačkou pre 2 nájomníkov - Miwi-Urmet
Kód: EC-18072Podrobný popis
Set domáceho telefónu pre 2 nájomníkov 6025/PR2-RF/402 - Miwi-Urmet
Set 6025/PR2-RF/402 od firmy Miwi-Urmet obsahuje:
- 2 unifóny 1140/41 (čierny) alebo 1140/1 (biely)
- 1 panel s 2 tlačidlami vyvolania, osvetleným informačným oknom, strieškou na povrchovú montáž (6025/OND-M), vstavaným rozhovorovým modulom, RFID bezdotykovou čítačkou 6025/PR2-RF
- 1 napájací zdroj 230V~/50Hz 12VAC/800mA s generátorom vyvolávajúceho signálu 18A2 (DIN kryt 6 modulov)
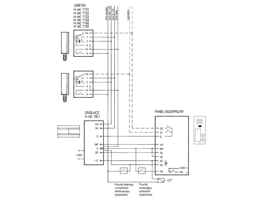
- Návod na montáž a obsluhu
- Panel je zasielaný so strieškou prispôsobenou na povrchovú montáž - voliteľná podomietková montáž vyžaduje rámček 6025/RP-OP-M
Správne namontovaný a uvedený do prevádzky domofónový set 6025/PR2-RF/402 umožňuje:
- vyvolanie unifónu (zvukový signál) stlačením tlačidla umiestneného na paneli umiestnenom mimo budovy
- rozhovor medzi osobou nachádzajúcou sa mimo budovu a osobou nachádzajúcou sa vo vnútri
- spustenie elektrického strmeňa otvárajúceho dvere, bránku atď.
Panel domofónu 6025/PR2-RF novej série produktov ELITE je vyrobený z nehrdzavejúcej ocele. Jeho malé rozmery ho robia ideálnym na montáž na úzke plotové stĺpy. Ďalšou ochranou je patentná skrutka upevňujúca prednú dosku. Panel 6025/PR2-RF má vstavaný rozhovorový modul a jedno vyvolávacie tlačidlo. Vstavaná RFID bezdotyková čítačka integrovaná s informačným oknom je zariadením na kontrolu prístupu určené na samostatnú (autonómnu) prácu. Podporuje kľúčenky a karty RFID štandardu UNIQUE 125 kHz. Je osvetlený bielou farbou. Pri otvorení dverí biela farba zhasne a osvetlenie sa zmení na zelenú farbu. V module je možnosť regulácie jasu osvetlenia. Modul má nastaviteľné zvukové oznamovanie. Oznamovanie možno úplne vypnúť, alebo nastaviť jednu z troch úrovní hlasitosti. Všetky panely sú prispôsobené na podomietkovú a povrchovú montáž. Vo verzii podomietkovej je odporúčané použiť rámček 6025/RP-OP-M, ktorý maskuje prípadné nerovnosti otvoru vyrobeného pre panel - rámček nie je súčasťou setu.
Unifón 1140/41 alebo 1140/1 je elegantný a moderný unifón vybavený 1 tlačidlom na otvorenie dverí a 3 ďalšími funkčnými tlačidlami. Má ďalší reproduktor pre vyvolávací signál a možnosť montáže dedikovaného trojpolohového regulátora vyvolávacieho signálu. Unifón vo farbe tmavý grafit alebo biela. V sete sa nachádzajú 2 unifóny.
Napájací zdroj 18A2 patrí k najnovšej generácii napájacích zdrojov výroby MIWI-URMET. Rovnako ako všetky napájacie zdroje vyrábané firmou MIWI-URMET má vstavaný okruh realizujúci funkciu „vrátky“ (akustické potvrdenie vyvolávajúceho signálu na vstupnom paneli). V napájacom zdroji je možná regulácia hlasitosti panela a unifónu. Ďalším prvkom je triak zapájajúci okruh elektrického strmeňa. Napájací zdroj dodáva napájaciu energiu do celého setu. Zariadenie je prispôsobené na montáž na stenu alebo na DIN lištu.
Technická špecifikácia:
| 6025/PR2-RF | |
|---|---|
| Všeobecné | |
| Séria panelu | Elite (6025) |
| Systém | 4+n |
| Počet používateľov | 2 |
| Počet tlačidiel | 2 |
| Rozmery | 157 x 67 x 20 mm |
| Rozmer štítku | 30 x 70 mm |
| Materiál | Nerezová oceľ |
| Montáž | povrchová, podomietková |
| Napájacie napätie | 12VAC |
| Stupeň ochrany | IK07 |
| Prevádzková teplota | -20°C ÷ +45°C |
| Hmotnosť | 0,17 kg |
| Unifón 1140/41 alebo 1140/1 | |
| Všeobecné | |
| Stylistická línia unifónu | Signo |
| Systém | 4+n |
| Počet tlačidiel | 4 |
| Rozmery | 4m |
| Materiál | ABS |
| Farba | Čierna (1140/41) alebo Biela (1140/1) |
| Montáž | Povrchová |
Dodatočné parametre
| Kategória: | Audiovrátniky |
|---|---|
| Hmotnost: | 0,17 kg |
Hodnotenie tovaru
Buďte prvý, kto napíše príspevok k tejto položke.
Diskusia
Buďte prvý, kto napíše príspevok k tejto položke.
