1128/501 - Komunikačný modul - Miwi-Urmet
Kód: EC-05470Podrobný popis
Hovorový modul 1128/501 - Miwi-Urmet
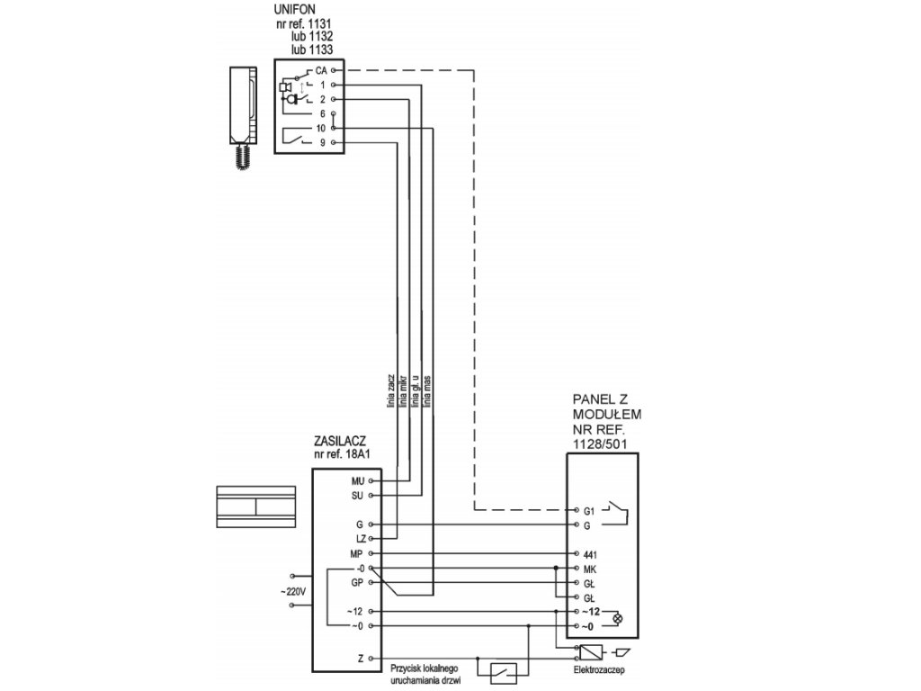
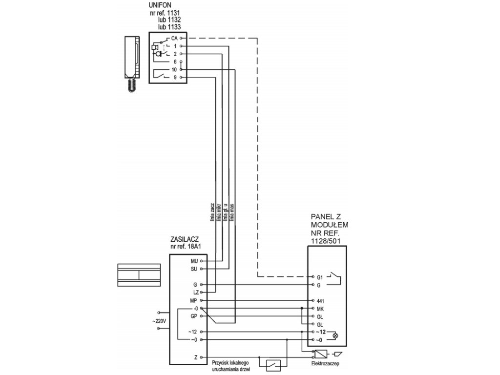
Hovorový modul 1128 501 firmy Miwi-Urmet je prispôsobený pre analógové systémy „4+n“ a „4+n s interkomom“ s elektronickým alebo tradičným signálom volania. Modul spolupracuje so zdrojmi 18A1, 18L1 a 19A a 19L1.
Domáce telefóny firmy Miwi-Urmet sa tešia veľmi vysokou dôverou po celom svete. Sú to vysoko pokročilé systémy domácich telefónov najvyššej kvality, ktoré umožnia najvyššiu kvalitu ich používania. Navyše ich inštalácia aj používanie nie je náročné, čo znamená, že sú to najuniverzálnejšie medzi domácimi telefónmi.
Technická špecifikácia:
| 1128/501 | |
|---|---|
| Všeobecné | |
| Systém | 4+n |
| Séria panelu | Smyle |
Hodnotenie tovaru
Buďte prvý, kto napíše príspevok k tejto položke.
Diskusia
Buďte prvý, kto napíše príspevok k tejto položke.
